产品展示
您现在的位置: 首页--产品展示
产品描述
|
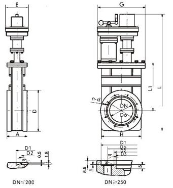
CCD型-电动超高真空插板阀: CCD型电动超高真空插板阀是通过电动装置驱动阀杆带动阀板作上下运动,达到阀门的开启或关闭。阀门用于接通或切断真空管路中的气流。适用介质为纯净空气和非腐蚀性气体,带反馈信号装置。 CCD型-电动超高真空插板阀主要技术性能 CCD型-电动超高真空插板阀主要零件材料 CCD型-电动超高真空插板阀外形及连接尺寸mm |
其他相关产品
|
|
CCD型-电动超高真空插板阀: CCD型电动超高真空插板阀是通过电动装置驱动阀杆带动阀板作上下运动,达到阀门的开启或关闭。阀门用于接通或切断真空管路中的气流。适用介质为纯净空气和非腐蚀性气体,带反馈信号装置。 CCD型-电动超高真空插板阀主要技术性能 CCD型-电动超高真空插板阀主要零件材料 CCD型-电动超高真空插板阀外形及连接尺寸mm |
|